HM Kantenfräser beschichtet und unbeschichtet

HM Entgrater 2-seitig

Entgraten Sie Ihre Werkstücke manuell?
Mit neuster Technologie fertigen wir leistungsfähige Hartmetall Entgrater 2-seitig mit Bohrung und Kugellager oder ohne Bohrung, für die Bearbeitung von Stahl, gehärtetem Stahl, Inox, Guss, Alu, Kupfer, Messing, Bronze, Silber, Titan und Kunststoff.
Für die ausschließliche Bearbeitung von NE-Metall oder Kunststoff, empfehlen wir unser eigens entwickelter Typ-A für NE-Metall & Typ-K für Kunststoff. Mit hohem Tempo erzielen Sie Fasen und Radien in jedem Werkstoff, selbst Kunststoffe wie POM, Nylon oder Polyäthylen werden sauber gefast.

Passend zu Facettiermaschinen wie Schallberger, Bösch, SwissSpeedy Pistorius, MFK, Engra, Reishauer, PowerSpider uvm...

Unsere Leistung

  • TiAlSiN - Beschichtung

  • hoher Qualitätsstandard

  • mit Bohrung & ohne Bohrung

  • Anfertigung von Sondergrößen

  • feinstkorn Hartmetall für hohe Standzeit

  • Hochfeste Welle mit Kugellager aus rostfreiem Stahl.

  • HM Entgrater 2-seitig für Aluminium - Typ A

  • HM Entgrater 2-seitig für Kunststoff - Typ K

HM Entgrater 2-seitig - Standard Sortiment

Entgrater 2-seitig
ohne Bohrung
d1: 6mm; 8mm
a : 60 ; 90 ; 120

TZ HM Entgrater 2-seitig ohne Bohrung

Entgrater 1-seitig
ohne Bohrung
d1: 10mm
d2: 6mm
a : 90

TZ HM Entgrater 1-seitig ohne Bohrung

Entgrater 2-seitig
mit Bohrung
d1: 6; 8
d3: 2.4
a : 30 ; 60
a : 90 ; 120

TZ HM Entgrater 2-seitig mit Bohrung

Entgrater 2-seitig
mit Kugellager
d1: 6; 8
d4: 3; 4; 5
a : 30 ; 60
a : 90 ; 120

TZ HM Entgrater 2-seitig mit Welle und Lager

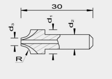
Entgrater 2-seitig
mit Bohrung
d1: 6; 8
d3: 2.4
r: 0.25; 0.5; 0.75;
r: 1.0; 1.5; 2.0

TZ HM Entgrater 1-seitig mit Radius

Entgrater 2-seitig
mit Kugellager
d1: 6 d4: 3
d1: 8 d4: 4
r: 0.25; 0.5; 0.75;
r: 1.0; 1.5; 2.0

TZ HM Entgrater 2-seitig mit Radius und Kugellager

Entgrater 1-seitig
mit Bohrung
d1: 10
d2: 6
d3: 2.4
a : 90

TZ HM Entgrater 1-seitig mit Bohrung

Entgrater 1-seitig
mit Kugellager
d1: 10
d2: 6
d4: 3; 4; 5
a : 90

TZ HM Entgrater 1-seitig mit Kugellager

Entgrater 1-seitig
mit Bohrung
d1: 10
d2; 6
d3: 3.8
r: 2.0; 2.5; 3.0

TZ HM Entgrater 1-seitig mit Radius

Entgrater 1-seitig
mit Kugellager
d1: 10
d2; 6
d4: 4
r: 2.0; 2.5; 3.0

TZ HM Entgrater 1-seitig mit Radius und Kugellager

Führungswelle
hochpräzise
mit Kugellager
d4: 3; 4; 5

TZ Welle mit Kugellager zu HM Entgrater 2-seitig

Führungswelle
hochpräzise
mit festem Zapfen
d4: 2.5; 3

TZ Welle mit festem Zapfen zu HM Entgrater 2-seitig

Alle Abmessungen in mm, weitere Durchmesser und Winkel auf Anfrage.


Für weitere Fragen beraten wir Sie gerne über individuelle Lösungen in der Zerspanungstechnologie. Sie erreichen uns unter...

Wir verwenden Cookies um unsere Website zu optimieren und Ihnen das bestmögliche Online-Erlebnis zu bieten. Mit dem Klick auf „Alle erlauben“ erklären Sie sich damit einverstanden. Klicken Sie auf Einstellungen für weiterführende Informationen und die Möglichkeit, einzelne Cookies zuzulassen oder sie zu deaktivieren.

Einstellungen